logo
家へ > 製品 > アクセレロメーターセンサー >
高精度軍事慣性ナビゲーション級加速計/クォーツ柔軟加速センサー

高精度軍事慣性ナビゲーション級加速計/クォーツ柔軟加速センサー

軍用級の加速計センサー

クォーツ柔軟加速センサー

高精度慣性ナビゲーション加速計

起源の場所:

中国(本土)

ブランド名:

Kacise

証明:

certificate of explosion-proof, CE

モデル番号:

KSJB1

連絡 ください
引金 を 求め て ください
製品詳細
規模:
±50g
制限値:
5μg
偏差値 K0/K1:
≤±3mg
ハイライト:

軍用級の加速計センサー

,

クォーツ柔軟加速センサー

,

高精度慣性ナビゲーション加速計

支払いと送料の条件
最小注文数量
1pcs
パッケージの詳細
各ユニットには個別のボックスがあり、すべてのボックスは標準パッケージまたは顧客の要求に応じて梱包されています
支払条件
T/T,ウェスタンユニオン,マネーグラム
供給の能力
1週あたりの1000部分
製品説明

高精度軍事慣性ナビゲーション級加速計

KSJB1シリーズのクォーツ柔軟性加速計は,高精度軍事慣性ナビゲーショングレードの加速計です. 製品は優れた長期安定性,繰り返し性,起動性能,環境に適応しやすく,信頼性が高い静的テストとダイナミックテストに使用することができ,また標準振動センサーと傾斜センサーです.

 

製品の出力電流は力や加速に線形であり,高精度の出力を達成するために,ユーザーは計算を通じて適切なサンプル抵抗を選択することができます.温度センサーは,ユーザーの要求に応じて構築することができます部分値とスケールファクタルの補償に使用され,環境温度の影響を軽減します.

 

適用: 航空宇宙,航空,船舶,兵器などの分野における高精度慣性ナビゲーションシステムの慣性測定および振動隔離試験.

高精度軍事慣性ナビゲーション級加速計/クォーツ柔軟加速センサー 0

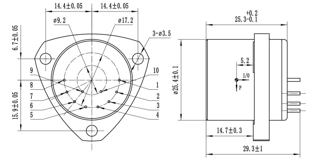
輪郭図とピンの定義

高精度軍事慣性ナビゲーション級加速計/クォーツ柔軟加速センサー 1

図 I: 普遍加速計

 

ピンの従来の定義: 1,信号出力; 2.空; 3, -15V; 4, +15V; 5,電源と信号接地; 6.空; 7.空; 8.空; 9, -9V出力; 10, +9V出力.

高精度軍事慣性ナビゲーション級加速計/クォーツ柔軟加速センサー 2

固定穴はU型です

高精度軍事慣性ナビゲーション級加速計/クォーツ柔軟加速センサー 3

固定穴はUの形でピンは8ピンです

高精度軍事慣性ナビゲーション級加速計/クォーツ柔軟加速センサー 4

外側の次元は四角形です

 

 

技術パラメータ:

番号 パラメータ KSJB1-01 KSJB1-02 KSJB1-03
1 適用範囲 ±50g ±50g ±50g
2 制限値 5μg 5μg 5μg
3 偏差値 K0/K1 ≤±3mg ≤±3mg ≤±5 mg
4 スケールファクター K1 1.05~1.30 mA/g 1.05~1.30 mA/g 1.05~1.30 mA/g
5 2次列の非線形係数K2 ≤±10μg/g2 ≤±15μg/g2 ≤±20μg/g2
6 0g 4時間 短期安定性 ≤10 μg ≤10μg ≤15 μg
7 1g 4時間 短期安定性 ≤10ppm ≤10ppm ≤15ppm
8 偏差値 合成 繰り返し σK0(1σ,1ヶ月) ≤10 μg ≤20 μg ≤30 μg
9 スケールファクター統合重複性 σK1/K1(1σ,1ヶ月) ≤15ppm ≤30ppm ≤50ppm
10 非線形係数 K の包括的重複性2/K1(1σ,1ヶ月) ≤±10 μg/g2 ≤±20 μg/g2 ≤±30 μg/g2
11 偏差値 温度係数 (温度帯全体の平均値) ≤±10 μg/°C ≤±30 μg/°C ≤±50 μg/°C
12 スケール因子 温度係数 (温度帯全体の平均値) ≤±10ppm/°C ≤±30ppm/°C ≤±50ppm/°C
13 騒音 (サンプル採取抵抗は840Ω) ≤5mv ≤8.4mv ≤8.4mv
14 自然発生頻度 400~800 Hz 400~800 Hz 400~800 Hz
15 帯域幅 800~2500 Hz 800~2500 Hz 800~2500 Hz
16 ランダムな振動 6g ((20〜2000Hz) 6g ((20〜2000Hz) 6g ((20〜2000Hz)
17 ストライキ 100g,8ms,1/2sin 100g,8ms,1/2sin 100g,8ms,1/2sin
18 動作温度範囲 -55~+85°C -55~+85°C -55~+85°C
19 貯蔵温度範囲 -60~+120°C -60~+120°C -60~+120°C
20 電源 ±12~±15V ±12~±15V ±12~±15V
21 現在の消費量 ≤±20mA ≤±20mA ≤±20mA
22 温度センサー ユーザーに設定できる ユーザーに設定できる ユーザーに設定できる
23 寸法 フ25.4×30mm フ25.4×30mm フ25.4×30mm
24 体重 ≤80g ≤80g ≤80g

注記:

 

1. スケールファクターは,ユーザーの要求に応じて調整されます.

 

2温度センサー: AD590, pt1000, 18B20に分かれています.

 

3試験サイクル: 試験の利用者の要求に応じて1ヶ月,3ヶ月,6ヶ月,12ヶ月に分けられる.

 

4. ユーザのインストール要件に応じて; サイズは,ユーザの要求に応じてわずかに調整することができます.また,他の試験要件は,顧客の要求に応じて実行できます..

問い合わせを直接私たちに送ってください.

プライバシーポリシー 中国 良質 水質センサー 提供者 著作権 2018-2026 Xi'an Kacise Optronics Co.,Ltd. すべての権利は保護されています.